Offshore Drill Cuttings Handling

rotolok_logo

from conception to completion…

Offshore Drill Cuttings Handling Systems

Dense Phase transfer from Rig to Ship to Shore


blo-tech_drill_cuttings_handling_1_

(double click on picture to open in new window)

The Blo-Tech Offshore Drill Cuttings Handling System



Blo-Tech Ltd systems are designed to receive drill cuttings from rig shakers and transfer them on to bulk storage. The large 100 barrel (16m3) capacity Storage Tanks can be used in multiples to store the drill cuttings ahead of ship arrival at the rig. From the storage tanks the cuttings are pneumatically transferred to skips on the ship via a pipework system dropping them from the height of the rig to sea level, and onto the awaiting ship where the flow is directed by diverters to various locations along the length of the deck.


blo-tech_drill_cuttings_handling_2_

(double click on picture to open in new window)

The Offshore Drill Cuttings Handling System



The Need for the System

Operation at Point of Drill Waste Generation

Drilling waste (DW) is generated while the drilling operation is being carried out. As a result of different drilling terrain, the approach to the challenge will differ depending on the cuttings produced. Variation in cuttings weight, viscosity, particle size, flowabilty and conveying distances need to be considered at the early stage of a project and Blo-Tech Ltd works with customers to provide a customised solution based on proven technology.

The technique used to contain the DW real time from the dump line is the combination of a low-storage capacity, twin dense phase pump and a high-storage capacity, dense phase pump system, with the detail design of the system considering space and weight limitations on the rig asset/location. The system of dense phase pumps has the capacity to convey DW from the top of the rig to over 300 metres vertically and horizontally to any direction. Therefore, it is used in conveying DW to the skips or another form of waste transport equipment on the boat. Advantages of having this system on board eliminates the need for the rig crane to lift skips to the rig floor and back to the boat. HSE risks associated with skip handling are also reduced: skip operational time is reduced, rig floor space is optimised, land rig site corrals are eliminated and the environmental impact caused by skip traffic and double handling of skips is significantly reduced.

Drill Waste Logistics

For Offshore locations, skips are lined up on the service vessel/boat where they are filled using a skip filling manifold, or on land rigs where the skips are filled directly on top of the trucks. After which, the waste is taken to the treatment location.

Waste Management

With ever-increasing demands for rig operators to contain DW and protect the environment, these fully-contained Drill Cuttings Handling Systems are designed to meet with the demands of 21st Century legislation and are used by responsible waste management operators to maintain the highest standards of operation and avoid contamination of the environment.

The most viable method used in treating DW today is the thermal application. Thermal desorption technology is a system that uses indirect heat to break down and destroy the hazardous element of the DW and, at the same time, vaporise the base oil which is then condensed and reused in building new mud systems. This system is not just efficient but cost effective due to the fact that the most expensive constituent in building synthetic base oil drill mud is base oil. Moreover, in excess of 80% of the base oil in waste is recovered and reused, whilst the residue is clean enough for further usage in construction applications.



blo-tech_transfer_capacities_table

(double click on picture to open in new window)

Table: Transfer Rates Capacity



System duties indicated are typical only and based on product bulk density of 2.4 te./m3.

Larger pipe sizes and higher throughputs can be provided to suit customer-specific applications.

blo-tech_twin dense phase tank system_3_

(double click on picture to open in new window)

Blo-TechTwin dense phase tank system



Twin Tank Dense Phase System

The Dense Phase System includes a pair of pressure vessels that are filled and pressurised in-turn to transfer the product from the tank to its destination.

The transfer air is delivered from a compressed air system and is controlled and distributed to the tanks by the Dense Phase Electro/Pneumatic Panels.

The main PLC electrical control panel has both pneumatic and electric output signals to control the skid-mounted tanks.

A compressed air distribution panel is provided on the skid for connection to the air supply. The panel has an air-air multiplier (booster) which raises the pressure of an amount of compressed air from the normal supply pressure to up to two times the normal pressure as required by the Roundhead valve (supplied by Rotolok Ltd) inflatable seal and pinch valve. Interconnection pipework and nylon tubing is fitted to connect from the pneumatic air distribution panel to each of the tanks.

Each tank has its own Electro/Pneumatic Panel to control the operation of the tank. The panels are mounted on the skid adjacent to their respective tank. Each panel receives electric and pneumatic signals from the PLC control as required. Each tank is fitted with a level probe and pressure switch to monitor the operation and single the control system.

Each Rotolok Roundhead valve also has electric and pneumatic connections for the remote operation of the valves by the control system.


blo-tech_twin-tank_system (front)_4a_

blo-tech_twin-tank_system (side)_4b_

(double click on picture to open in new window)

Blo-TechTwin-tanksystem (front and side)

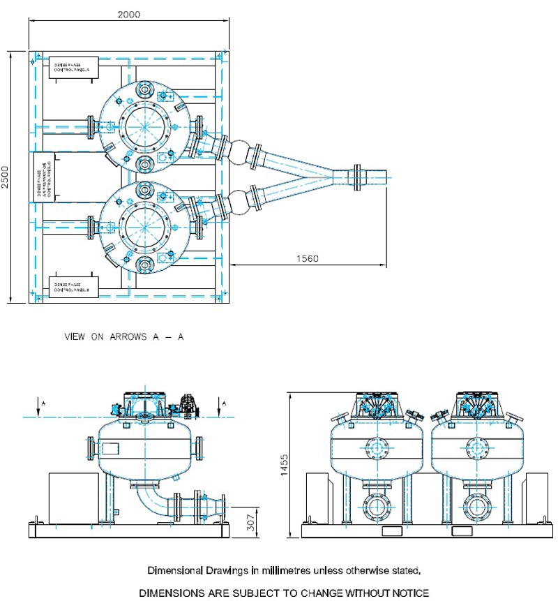
blo-tech_twin-tank system dimensional drawings_5_

(double click on picture to open in new window)

Blo-TechTwin-tank system dimensional drawings



Multiple Storage and Dense Phase System

The multiple storage and dense phase system provides any number of large storage tanks of 16m3 (100 barrel) capacity in which to store drill waste delivered by the twin dense phase pneumatic transfer system.

Each large tank is filled in turn by the feed system and can be designed to automatically switch to filling the next tank until all tanks are full or the system is stopped.

At the point of discharge the ship the storage tanks now take on their second role as dense phase transfer vessels operated in the same method as the smaller twin tank feed system.

An automatic control system is provided to allow selected storage tanks to discharge in turn working in conjunction with the skid filling manifold system provided on-board the ship to allow the contents to be transferred continuously from rig to ship.


blo-tech_multi-storage system overview_6_

(double click on picture to open in new window)

Blo-Tech 3D Multi-storage system overview

blo-tech_multi-storage system dimensional drawings

(double click on picture to open in new window)

Blo-TechMulti-storage system dimensional drawings



Rotolok Roundhead Valves

Rotolok Roundhead Valves are used in the bulk handling field as on/off controls for powder, pellets or granules falling under gravity from one discharge point to another. They are designed specifically to give a full bore opening in pressure applications and are particularly suited to handling abrasive products.

The Roundhead consists of a cast body and inlet flanges with an internal cast dome and inflatable seal. The castings are CNC-machined to ensure that the seal is properly seated and presses uniformly against the dome when inflated. The dome is clamped to side shafts which operate within impregnated bush bearings in the body with external lubrication points. Lip seal shaft seals protect the environment against product leakage and maintain any internal pressure.

A pneumatic quarter turn actuator is directly coupled to the drive shaft. Air supply to the actuator is via a solenoid valve, flow regulators and piping. The flow regulators are fitted and set to restrict the dome operation speed to less than 1m/s helping to make the valve certifiable up to ATEX Category 2 for use in ATEX hazardous Zones 1, 21, 2 & 22.

Limit switches are fitted and positioned to indicate open/closed conditions.


blo-tech_roundhead valve (side)_8a_

blo-tech_roundhead valve (top)_8b_

(double click on picture to open in new window)

Rotolok Roundhead Valve (side and top)

blo-tech_roundhead valve dimensional drawings_9_

(double click on picture to open in new window)

Rotolok Roundhead Valve dimensional drawings



Blo-Tech Ltd is a member of the Rotolok Group of companies, including:

Rotolok Ltd

Sautelma-Rotolok Ltd

Roots Systems Ltd

Solitec Engineering Ltd


The Rotolok Group has been established for over 30 years and provides bulk material handling equipment and systems with the majority of equipment being designed and manufactured within the Group. All industries are served, including the Oil & Gas industry, in providing transfer systems, valves and gas blowers etc., worldwide.

For more information, please visit:

https://edir.bulk-online.com/profile...olok-group.htm

Google Search:

http://www.google.com/search?client=...ulk-online.com

http://www.google.com/search?q=rotol...=lnms&tbm=isch

Rotolok Group is a "bulk-online Leader"

Write the first Reply